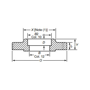
Socket Welding Flange määrittelee uudelleen korkeapaineiset putkiliitännät integroimalla ylivoimaisen lujuuden saumattomaan nestedynamiikkaan, joka on suunniteltu tarjoamaan vertaansa vailla olevaa suorituskykyä pienikokoisissa ja suuritehoisissa sovelluksissa. Tämä halkaisijaltaan pienille putkille suunniteltu laippa käyttää hylsyhitsauskokoonpanoa, joka kapseloi hitsausliitoksen itse laippaan, eliminoi ulkoiset hitsausulokkeet ja minimoi virtausvastuksen – kriittinen etu järjestelmissä, joissa turbulenssin vähentäminen ja hygienia ovat ensiarvoisen tärkeitä. Piilotettu hitsi ei vain virtaviivaista puhdistamista ja tarkastuksia steriileissä ympäristöissä, kuten lääke- tai elintarviketehtaissa, vaan myös parantaa rakenteellista eheyttä ja vastustaa tärinää ja painepiikkejä öljyn- ja kaasunjalostamoissa, kemiallisissa reaktoreissa tai korkeapaineisissa höyrylinjoissa. Taotusta hiiliteräksestä tai ruostumattomasta teräksestä valmistettu tarkkuustyöstö yhdistää korroosionkestävyyden poikkeukselliseen vetolujuuteen, mikä varmistaa vuotamattoman tiiviyden jopa äärimmäisissä lämpötiloissa ja paineissa.
| Halkaisija-alue | DN15 (1/2") - DN150 (6") |
| Paineluokitus | 1,6-16 MPa |
| Todistus | PED, AD2000, EAC, ABS, BV, DNV, NORSOK M650, ISO9001, ISO14001, ISO45001 jne. |
| Toiminnan esittely | Pistokehitsausliitäntä, Piilotettu hitsausrakenne vähentää virtausvastusta, Optimoitu halkaisijaltaan pieniin korkeapainesovelluksiin, Ylivoimainen tiivistyskyky |
| Sovelluskentät | Soveltuu putkien laippaliitäntöihin pitkän matkan öljy- ja kaasuputkissa, offshore-lautoissa, kemianlaitteissa, vedenkäsittelyjärjestelmissä sekä elintarvike- ja lääketeollisuudessa sovellettuina monimutkaisiin työolosuhteisiin. |
| Pakkaus | Merikelpoinen paketti, vanerikotelot tai lava tai asiakkaan vaatimuksen mukaan |
| Suositellut tuotteet | 1、 Pienen erän minimitilaus; |
Sen kompakti rakenne yksinkertaistaa asennusta ahtaisiin tiloihin, kun taas vankka liitos kestää syklistä lämpölaajenemista, mikä tekee siitä ihanteellisen offshore-lautoilla, sähköntuotantoturbiineissa ja hydraulijärjestelmissä. Poistamalla mahdolliset heikkoudet ja vähentämällä huoltojaksoja tämä laippa antaa teollisuudelle mahdollisuuden priorisoida turvallisuutta tehokkuutta tinkimättä. ASME B16.5 -standardien noudattamisen ja tiukan ainetta rikkomattoman testauksen tukemana se takaa luotettavuuden kriittisissä toiminnoissa. Insinööreille, jotka etsivät kompaktia korkeapaineratkaisua, jossa kestävyys yhdistyy nesteen optimointiin, pistorasiahitsauslaippa on paras valinta. Nosta infrastruktuuriasi jo tänään tarkasti suunnitelluilla laippoillamme – joissa innovaatio kohtaa joustavuuden, mikä mahdollistaa järjestelmäsi toimimisen tarkasti, turvallisesti ja horjumattomalla varmuudella. Valitse erinomaisuus, kestävyys ja muuta putkilinjasi potentiaalia.
From raw material to final delivery, we maintain rigorous control at every stage to ensure durability,performance, and consistency.
01
02
03
04
05
06
07
08
09
10
11
12
