Slip On Flange on kustannustehokkaiden putkistoratkaisujen kulmakivi, jossa yksinkertaisuus ja luotettavuus yhdistyvät matalapainejärjestelmien vaatimuksiin. Tämä vaivattomaan integrointiin suunniteltu laippa liukuu putken yli ja on kiinnitetty viistosaumalla, mikä virtaviivaistaa asennusta ja minimoi työ- ja materiaalikustannukset – ihanteellinen budjettitietoisiin projekteihin suorituskyvystä tinkimättä. Sen sileä tiivistyspinta (FF) varmistaa vuotamattoman toiminnan myrkyttömässä matalapainesovelluksissa, kuten kunnallisissa vesiverkoissa, LVI-järjestelmissä ja yleisissä teollisuuden putkistoissa, kun taas vahvistettu kovera-kupera (MF) pinta parantaa tiivistyksen eheyttä hieman vaativammissakin ympäristöissä.
| Halkaisija-alue | DN15 (1/2") - DN3000 (119") |
| Paineluokitus | PN6-PN16 |
| Todistus | PED, AD2000, EAC, ABS, BV, DNV, NORSOK M650, ISO9001 ISO14001, ISO45001 jne. |
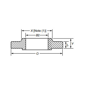
| Toiminnan esittely | Yksinkertainen hitsattu rakenne, kustannustehokas ratkaisu, helppo asennus, FF (Flat Face) matalapaineisille myrkyttömälle materiaalille, MF (uros-naaras) parantaa tiivistystä |
| Sovelluskentät | Soveltuu putkien laippaliitäntöihin pitkän matkan öljy- ja kaasuputkissa, offshore-lautoissa, kemianlaitteissa, vedenkäsittelyjärjestelmissä sekä elintarvike- ja lääketeollisuudessa sovellettuina monimutkaisiin työolosuhteisiin. |
| Pakkaus | Merikelpoinen paketti, vanerikotelot tai lava tai asiakkaan vaatimuksen mukaan |
| Suositellut tuotteet | 1、Pienen erän minimitilaus; 2, nopea toimitus! 3、Räätälöity tuotanto; |
Kestävästä hiiliteräksestä tai ruostumattomasta teräksestä valmistettu se kestää korroosiota ja mekaanista rasitusta, joten se on monipuolinen valinta elintarvikkeiden jalostuksesta kemianteollisuuteen, jossa hygienia ja huollon helppous ovat etusijalla. Kompakti, kevyt rakenne yksinkertaistaa jälkiasennusta ja kohdistusta, mikä vähentää seisokkeja järjestelmän laajennusten tai korjausten aikana. Käytetäänpä sitten maatalouden kastelussa, lääkelaitoksissa tai meriputkissa, Slip On Flange mukautuu saumattomasti erilaisiin asetteluihin varmistaen ASME- ja EN-standardien noudattamisen. Tasapainottamalla kohtuuhintaisuuden vankan suunnittelun kanssa se antaa insinööreille mahdollisuuden optimoida infrastruktuurikustannukset turvallisuudesta tinkimättä. Päivitä putkistojärjestelmäsi jo tänään Slip On Flanges -laippojemme avulla – joissa yksinkertaisuus kohtaa vahvuuden, jolloin voit rakentaa älykkäämmin, ylläpitää helpommin ja toimia luotettavasti. Valitse tehokkuus, luotettavuus ja muuta putkilinjasi infrastruktuuria jo tänään.
From raw material to final delivery, we maintain rigorous control at every stage to ensure durability,performance, and consistency.
01
02
03
04
05
06
07
08
09
10
11
12
