Lapaliitoslaippa määrittelee uudelleen joustavuuden putkistojärjestelmissä tarjoten dynaamisen ratkaisun lämpölaajenemis- ja -kutistumisjännityksen hallintaan ja mahdollistaen samalla saumattoman purkamisen matalapainesovelluksissa. Yhdistämällä vankan laipparenkaan kääntyvään laippakomponenttiin, tämä innovatiivinen rakenne mahdollistaa putkien hallitun aksiaalisen liikkeen ja vaimentaa tehokkaasti lämpötilan aiheuttamia siirtymiä vaarantamatta rakenteellista eheyttä. Saatavana kahdessa kokoonpanossa – päihitsausrengastyyppi (PJ/SE) erittäin tarkkoihin hitsattuihin liitoksiin ja litteä hitsausrengastyyppi (PJ/RJ) yksinkertaistettuun asennukseen – se vastaa erilaisiin käyttötarpeisiin samalla kun se säilyttää tiiviin suorituskyvyn. Laadukkaasta hiiliteräksestä tai ruostumattomasta teräksestä valmistettu laippa kestää korroosiota ja mekaanista kulumista, mikä takaa luotettavuuden kemiankäsittelyn, vedenkäsittelyn ja elintarviketuotannon kaltaisilla aloilla, joilla säännöllinen huolto tai laitteiden päivitys on rutiinia.
| Halkaisija | DN50 (2") - DN2000 (80") |
| Paine | 0,6-2,5 MPa |
| Todistus | PED, AD2000, EAC, ABS, BV, DNV, NORSOK M650, ISO9001, ISO14001, ISO45001 jne. |
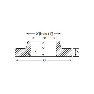
| Toiminnan esittely | Yhdessä laipparenkaan ja laipan kanssa mahdollistaa putkilinjan aksiaalisen siirtymisen ja vähentää lämpölaajenemisjännitystä. Tyypit: puskuhitsausrengas (PJ/SE) ja litteä hitsausrengas (PJ/RJ). Soveltuu matalapaineisiin putkiin, jotka vaativat usein purkamista. |
| Sovelluskentät | Soveltuu putkien laippaliitäntöihin pitkän matkan öljy- ja kaasuputkissa, offshore-lautoissa, kemianlaitteissa, vedenkäsittelyjärjestelmissä sekä elintarvike- ja lääketeollisuudessa sovellettuina monimutkaisiin työolosuhteisiin. |
| Pakkaus | Merikelpoinen paketti, vanerikotelot tai lava tai asiakkaan vaatimuksen mukaan |
| Suositellut tuotteet | 1、 Pienen erän minimitilaus; |
Sen pyörivä mekanismi yksinkertaistaa kohdistusta kokoonpanon aikana, mikä vähentää työvoimakustannuksia ja seisokkeja järjestelmissä, kuten hydraulikoneissa, LVI-verkoissa tai modulaarisissa teollisuusasennuksissa. Eristämällä laipan liikkeen putkilinjan jännityksestä se pidentää tiivisteiden ja pulttien käyttöikää ja pienentää pitkäaikaisia vaihtokustannuksia. Lämpökompensaatiota vaativista offshore-alustoista lääketehtaisiin, jotka tarvitsevat steriilejä, helposti puhdistettavia liitoksia, Lap Joint Flange varmistaa ASME- ja EN-standardien noudattamisen samalla, kun se mukautuu muuttuviin toiminnallisiin vaatimuksiin. Tiukan testauksen ja monipuolisen yhteensopivuuden tukemana se antaa insinööreille mahdollisuuden suunnitella kestävää, tulevaisuuteen sopivaa infrastruktuuria. Päivitä putkistojärjestelmäsi jo tänään Lapliitoslaippojemme avulla – joissa tarkkuustekniikka kohtaa mukautuvan lujuuden, mikä mahdollistaa toimintojesi menestymisen dynaamisissa ympäristöissä. Valitse joustavuus, kestävyys ja avaa uusi tehokkuuden aikakausi.
From raw material to final delivery, we maintain rigorous control at every stage to ensure durability,performance, and consistency.
01
02
03
04
05
06
07
08
09
10
11
12
