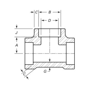
Forged Equal Tee on kriittinen taottu putkiliitos, jossa on kolme samanhalkaisijaista aukkoa ja jotka on suunniteltu jakamaan tai yhdistämään nesteen, kaasun tai höyryn virtaus tasaisesti putkistojärjestelmissä. Toisin kuin epätasaiset T-osat, sen symmetrinen rakenne varmistaa tasapainoisen virtauksen jakautumisen ja eliminoi paineepätasapainon, joka voi häiritä järjestelmän suorituskykyä – mikä tekee siitä perustuotteen teollisissa sovelluksissa, joissa tasainen virtaus on elintärkeää.
| Koko | DN15 (1/2") ~ DN600 (24") |
| Painetaso | Luokka 2000-6000 |
| Langan tyyppi | NPT, BSPP, BSPT |
| Todistus | PED, AD2000, EAC, ABS, BV, DNV, NORSOK M650, ISO9001, ISO14001, ISO45001 jne. |
| Toiminnan esittely | Toteuta 45° putken kääntö, kierreliitosrakenne säästää asennustilaa, sopii kompaktiin putkilinjan järjestelyyn. |
| Sovelluskentät | Suunniteltu korkeapaineisiin putkistojärjestelmiin, soveltuu tärkeimpien osien, kuten öljynjalostuksen, ydinvoimalaitteiden, kemiallisten laitteiden, kattiloiden paineastioiden jne., liittämiseen ja ohjaamiseen. |
| Pakkaus | Merikelpoinen paketti, vanerikotelot tai lava tai asiakkaan vaatimuksen mukaan |
| Suositellut tuotteet | 1、Pienen erän minimitilaus; |
Sen etuja ovat kestävä rakenteellinen eheys (taonta minimoi halkeamisriskit), helppo integrointi (hitsatut/kierreliitokset sopivat vakioputkiin) ja pitkä käyttöikä. Mahdollistaa tasaisen virtauksen, se vähentää loppupään komponenttien kulumista, mikä tekee siitä välttämättömän luotettavan ja tehokkaan putkiston toiminnan kannalta.
From raw material to final delivery, we maintain rigorous control at every stage to ensure durability,performance, and consistency.
01
02
03
04
05
06
07
08
09
10
11
12
