Kierrelaippa mullistaa putkistojen liitettävyyden tarjoamalla turvallisen, hitsaamattoman ratkaisun kierreputkien liittämiseen, mikä tekee siitä äärimmäisen valinnan ympäristöihin, joissa turvallisuudesta ja mukautuvuudesta ei voida keskustella. Tämä tarkalla sisäkierteityksellä suunniteltu laippa integroituu saumattomasti galvanoituihin teräsputkiin tai järjestelmiin, joissa hitsaus on kielletty – kuten syttyvissä, räjähdysalttiissa tai erittäin herkissä teollisuusympäristöissä. Sen innovatiivinen muotoilu eliminoi hitsaukseen liittyvät palovaarat ja varmistaa tiukkojen turvallisuuskäytäntöjen noudattamisen ja tarjoaa vankan, vuotamattoman tiivisteen, joka kestää korkeita paineita. Kierreliitos mahdollistaa nopean asennuksen ja purkamisen, mikä antaa huoltoryhmille mahdollisuuden tehdä vianmäärityksen tai päivittää järjestelmiä ilman erikoislaitteita, mikä vähentää seisokkeja kriittisissä toiminnoissa, kuten kemiankäsittelyssä, öljyn ja kaasun jakelussa tai lääketuotannossa.
| Koko | DN15 (1/2") - DN600 (24") |
| Paineluokitus | 0,6-4,0 MPa |
| Lämpötila-alue | -45 ℃ - 260 ℃ |
| Todistus | PED, AD2000, EAC, ABS, BV, DNV, NORSOK M650, ISO9001, ISO14001, ISO45001 jne. |
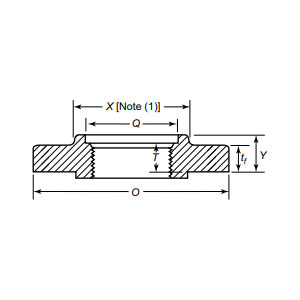
| Toiminnan esittely | Kierrelaippa liitetään kierteitettyyn putkeen sisäputken kierteen kautta, mikä eliminoi hitsauksen. Ihanteellinen galvanoiduille teräsputkille tai rajoitetuille hitsausympäristöille (palava/räjähtävä). Helppo asennus ja joustava huolto, soveltuu erityisesti seosteräkselle ja muille huonosti hitsattaville materiaaleille. |
| Sovelluskentät | Soveltuu putkien laippaliitäntöihin pitkän matkan öljy- ja kaasuputkissa, offshore-lautoissa, kemianlaitteissa, vedenkäsittelyjärjestelmissä sekä elintarvike- ja lääketeollisuudessa sovellettuina monimutkaisiin työolosuhteisiin. |
| Pakkaus | Merikelpoinen paketti, vanerikotelot tai lava tai asiakkaan vaatimuksen mukaan |
| Suositellut tuotteet | 1、Pienen erän minimitilaus; |
Ihanteellinen hitsaushaasteisiin alttiille materiaaleille, kuten seosteräkselle, kierrelaippa säilyttää materiaalin eheyden ja välttää lämmön aiheuttaman haurauden tai vääristymisen. Sen korroosionkestävä rakenne, joka on saatavana hiiliteräksestä tai ruostumattomasta teräksestä, varmistaa pitkän käyttöiän myös ankarissa ympäristöissä offshore-porauslavoista elintarvikekelpoisiin sanitaatiojärjestelmiin. Maailmanlaajuisten standardien tiukan noudattamisen tukemana tämä laippa takaa luotettavuuden vaativissa sovelluksissa, mukaan lukien hydraulijärjestelmät, kryogeeniset putkistot ja palavien nesteiden siirrot. Kierrelaippa on mullistava ratkaisu teollisuudelle, joka asettaa etusijalle turvallisuuden, tehokkuuden ja kustannustehokkaan kunnossapidon. Nosta infrastruktuuriasi jo tänään ensiluokkaisilla kierrelaippoillamme, joissa innovaatio kohtaa tinkimättömän turvallisuuden, mikä mahdollistaa järjestelmäsi moitteettoman toiminnan vaativimmissa olosuhteissa. Valitse luottamus, kestävyys ja määritä putkilinjasi potentiaali uudelleen.
From raw material to final delivery, we maintain rigorous control at every stage to ensure durability,performance, and consistency.
01
02
03
04
05
06
07
08
09
10
11
12
