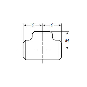
Tasainen tee on kriittinen liitos putkistojärjestelmissä, jotka on suunniteltu jakamaan tai yhdistämään nestevirtaus säilyttäen samalla johdonmukaiset putken halkaisijat kaikissa kolmessa aukossa. Tasa-arvoisen T-sarjan ensisijainen tehtävä on helpottaa virtauksen jakamista tai konvergenssia muuttamatta putken kokoa, mikä tekee siitä välttämättömän järjestelmissä, joissa tasainen halkaisija ja tasapainoinen paine ovat kriittisiä. Tasa-arvoiset t-pinnat valmistetaan materiaaleista, jotka sopivat putkijärjestelmään yhteensopivuuden, korroosionkestävyyden ja paineensietokyvyn varmistamiseksi.
| Koko | DN15 (1/2") ~ DN3800 (150"); |
| Seinän paksuus | Sch5 ~ 150mm; |
| Kirjoita | Saumaton/hitsattu. |
| Todistus | PED, AD2000, EAC, ABS, BV, DNV, NORSOK M650, ISO9001, ISO14001, ISO45001 jne. |
| Toiminnan esittely | Pää- ja haaraputkilla on eri halkaisijat, joita käytetään virtauksen säätelyyn tai haaraputken koon muutoksiin. |
| Sovelluskentät | Käytetään laajasti putkistojen liitännöissä petrokemian, maakaasun kuljetuksen, sähkövoiman, laivanrakennuksen ja kunnallistekniikan aloilla, soveltuu korkeapaineisiin, korkeisiin lämpötiloihin ja syövyttävään materiaaliin. |
| Pakkaus | Merikelpoinen paketti, vanerikotelot tai lava tai asiakkaan vaatimuksen mukaan |
| Suositellut tuotteet | 1、 Pienen erän minimitilaus; |
Equal tee on monipuolinen, symmetrinen liitin, joka mahdollistaa tehokkaan virtauksen hallinnan putkijärjestelmissä ja varmistaa halkaisijan, paineen ja yhteensopivuuden eri sovelluksissa. Etsitkö luotettavaa ja tehokasta liitosta virtaviivaistaaksesi virtauksen jakautumista tai konvergenssia? Teollisuusluokan tasavertaiset T-paidamme on suunniteltu tarjoamaan tinkimätöntä laatua, symmetriaa ja pitkäkestoista kestävyyttä – täydellinen pitämään putkijärjestelmäsi tehokkaina, vuotamattomina ja vähän huoltoa vaativina.
From raw material to final delivery, we maintain rigorous control at every stage to ensure durability,performance, and consistency.
01
02
03
04
05
06
07
08
09
10
11
12
13
14
15
